Brand:
DK-LOK BRASS Male Elbow (Male NPT both ends) GLM Series
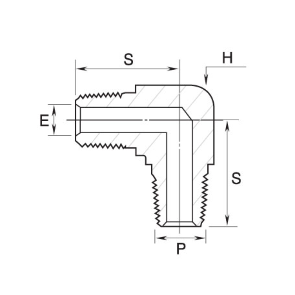
BRASS Male Elbow (Male NPT both ends)
Model No.
GLM-N-B
Green Instrument thread Fittings have been developed based on ASME B31.3 for instrumentation and process control in sizes 1/8" to 2". Green Thread and weld fittings have a wrench flat allowing standard Hex wrench assembly. This is one of the Green Pipe fitting benefits.
| Part number | P (NPT in.) | S (mm) | E (mm) | H ( Wrench Flat mm) |
| GLM-2N-B | 1/8 | 19.05 | 4.8 | 12.7 |
| GLM-4N-B | 1/4 | 24.5 | 7.1 | 12.7 |
| GLM-6N-B | 3/8 | 26.9 | 9.6 | 17.5 |
| GLM-8N-B | 1/2 | 33.2 | 11.9 | 20.6 |
| GLM-12N-B | 3/4 | 35.3 | 15.7 | 25.4 |
| GLM-16N-B | 1 | 44.5 | 22.3 | 31.8 |
