Brand:

DK-LOK BRASS Reducing Street Elbow (Female to reduced male NPT) GLSR Series

BRASS Reducing Street Elbow (Female to reduced male NPT)

Read moreShow less
Model No.
GLSR-N-B
Description

Green Instrument thread Fittings have been developed based on ASME B31.3 for instrumentation and process control in sizes 1/8" to 2". Green Thread and weld fittings have a wrench flat allowing standard Hex wrench assembly. This is one of the Green Pipe fitting benefits.

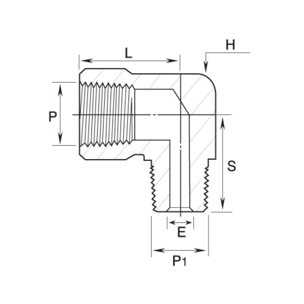
Part number P (NPT in.) P1 (Male NPT in.) L (mm) S (mm) E (mm) H(Wrench Flat mm)
GLSR 4-2N-B 1/4 1/8 29.0 22.4 4.8 17.5
GLSR 6-4N-B 3/8 1/4 34.5 28.2 7.1 20.6
GLSR 8-4N-B 1/2 1/4 37.0 30.5 7.1 25.4
GLSR 8-6N-B 1/2 3/8 37.0 30.5 9.6 25.4
GLSR 12-8N-B 3/4 1/2 46.5 41.6 11.9 31.8
GLSR 16-8N-B 1 1/2 48.8 45.5 11.9 42.9

Read moreShow less
Specifications
GLSR-N-B
Related Products

Menu

Settings

Share

Create a free account to save liked items.

Sign in