Brand:

DK-LOK SS316 Adapter (Female NPT to male NPT) GAAMF-10K Series

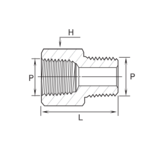
SS316 Adapter (Female NPT to male NPT)

Read moreShow less
Model No.
GAAMF-N-10K
Description

DK-Lok 10K Thread Fittings are especially designed to assure safe service in the high pressure application of 10 000psig.

The 10,000 psig working pressure satisfy the design requirements of ASME B31.3 Processing Pipe Code.

The fittings are available in 1/8” through 1” pipe threads.

•The Male Pipe Threads are precisely rolled for a high pressure application.

• Fittings are available only in stainless steel material.

Part number P (NPT in.) L (mm) H ( Wrench Flat mm)
GAAMF-2N-10K 1/8 27.9 13/16(20.65)
GAAMF-4N-10K 1/4 36.7 1(25.4)
GAAMF-6N-10K 3/8 38.5 1-1/4(31.75)
GAAMF-8N-10K 1/2 51.3 1-1/2(38.1)
GAAMF-12N-10K 3/4 52.1 1-3/4(44.4)
GAAMF-16N-10K 1 58.7 52-1/8(53.9)

Read moreShow less
Specifications
GAAMF-N-10K
Related Products

Menu

Settings

Share

Create a free account to save liked items.

Sign in